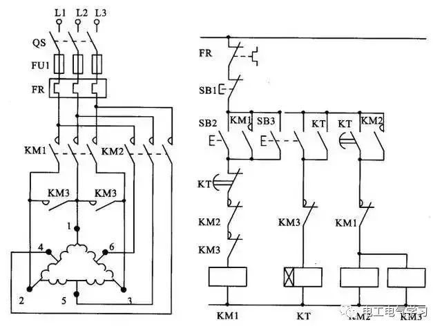
今天为大家整理了一些各类电气控制接线图、电子元件工作原理图,还有可控硅整流电路及负反馈调速装置原理等等,希望对大家的工作有所帮助,一起来了解一下吧。
在一个周期中,每个二极管只有三分这一的时候导通(导通角为120度)。负载两端的电压为线


特别声明:以上内容(如有图片或视频亦包括在内)为自媒体平台“网易号”用户上传并发布,本平台仅提供信息存储服务。
因房东翻倍涨价,北京嫣然天使儿童医院共欠租金2000多万或被关停,李亚鹏安博官网 安博体育的采访视频曝光后,公众涌入捐款入口,捐款金额已达881万
女子花48万买二手保时捷卡宴,4年后才知道车身有29处切割,还发生过伤亡事故
李湘多平台账号被禁止关注,平台客安博官网 安博体育服回应!其名下关联20家企业14家注销,全平台粉丝近3000万,1分钟以上广告报价30万元
最低-6℃!浙江今年首场寒潮即将来袭,气温猛降,大风、雨雪、冰冻一股脑都来了
赵继伟首秀24+7献制胜罚球!辽宁险胜新疆 莫兰德6+14威尔斯14分
一个奇怪的现象:鼓励孩子参加集体活动的家长,更容易培养出自信大方的孩子
0512-52218767